Catalogue

Products

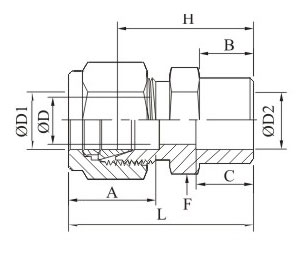
Tube Socket Weld Union

Tube Socket Weld Union
Tube Socket Weld Union Drawing