Catalogue

Products

Multiport Valve SEMPV

Multiport Valve SEMPV
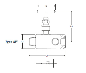
Multiport Valve SEMPV Drawing
Multiport Valve SEMPV Drawing